English
繁體中文
Brush DC Motor
Cylinder
Coin
SMT
AC Motor
Linear
BLDC Motor
BLDC
Products
HOME
| Products
BLDC Motor > BLDC > BLDC type
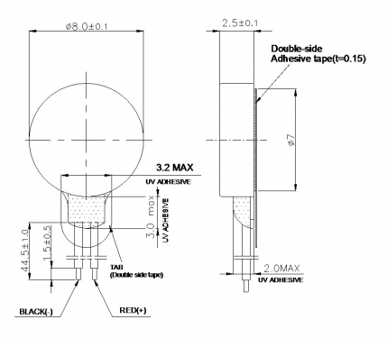
Φ8*2.5T VG082544WXX
Rated Voltage (V)DC
Rated Current (mA)
Rated Speed (r/min)
Starting Voltage (mA)
3
70 (max)
15,000±3,500
2.6 (max)